82310_2 | ServiceNet CA
text.skipToContent text.skipToNavigation
black & decker

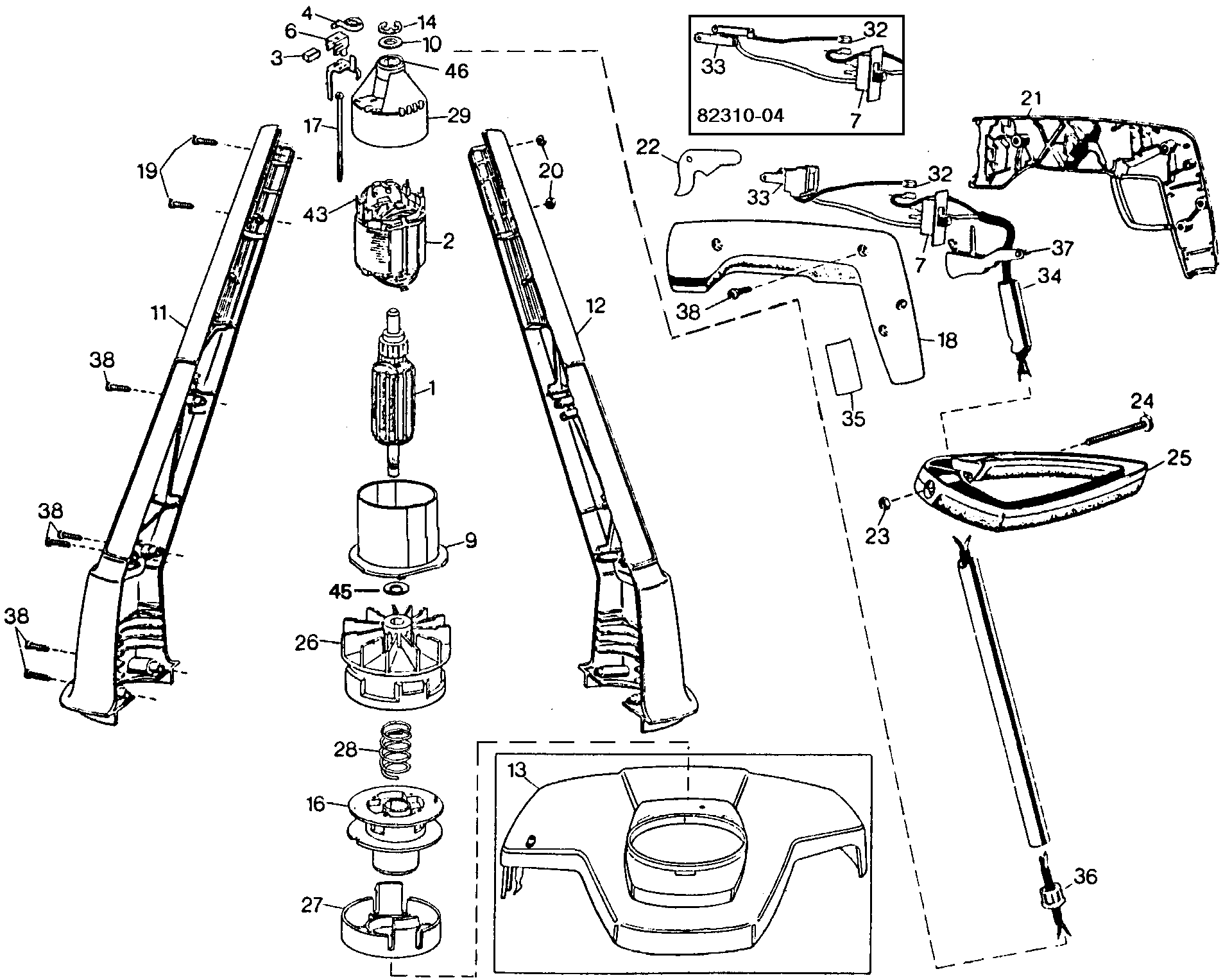
82310

  • View parts by Products
  • View parts by Drawing 
Model Type: 2
Model #82310 Qualify for free shipping on orders over$250!

This model has different types(If you need help finding your type number, please click here)

Type 1 Type 2

Documents

Click the #Number to see the part in the interactive diagram. Showing 

Why you should buy parts/service with us?

High Quality

Buy high reliable products for your critical projects.

Expert Technicians

We have certified experts, who can resolve any issues of the product.

Quick Support

Our Support lines are open to support all your queries.

Convenient Delivery

Delivered to you at your convenient place.

100% Secured Checkout

We follow highest security standards to make your transaction safe.

We do not guarantee, under the meaning of the Quebec Consumer Protection Act, as amended by Bill 29, the availability of replacement parts, repair services or information necessary to maintain or repair covered products. We will continue to provide support for our products, parts and services by allowing users to utilize our online service web portal ToolServiceNet.ca, or phone into our closest service centers for technical support questions.