|
Your Session will expire in minutes due to inactivity. You will be redirected to the sign-in page. Any unsaved changes to your shopping cart may be lost. |
|
Your session has expired due to inactivity.You will be redirected to the sign-in page.
Any unsaved changes to your shopping cart may be lost. |
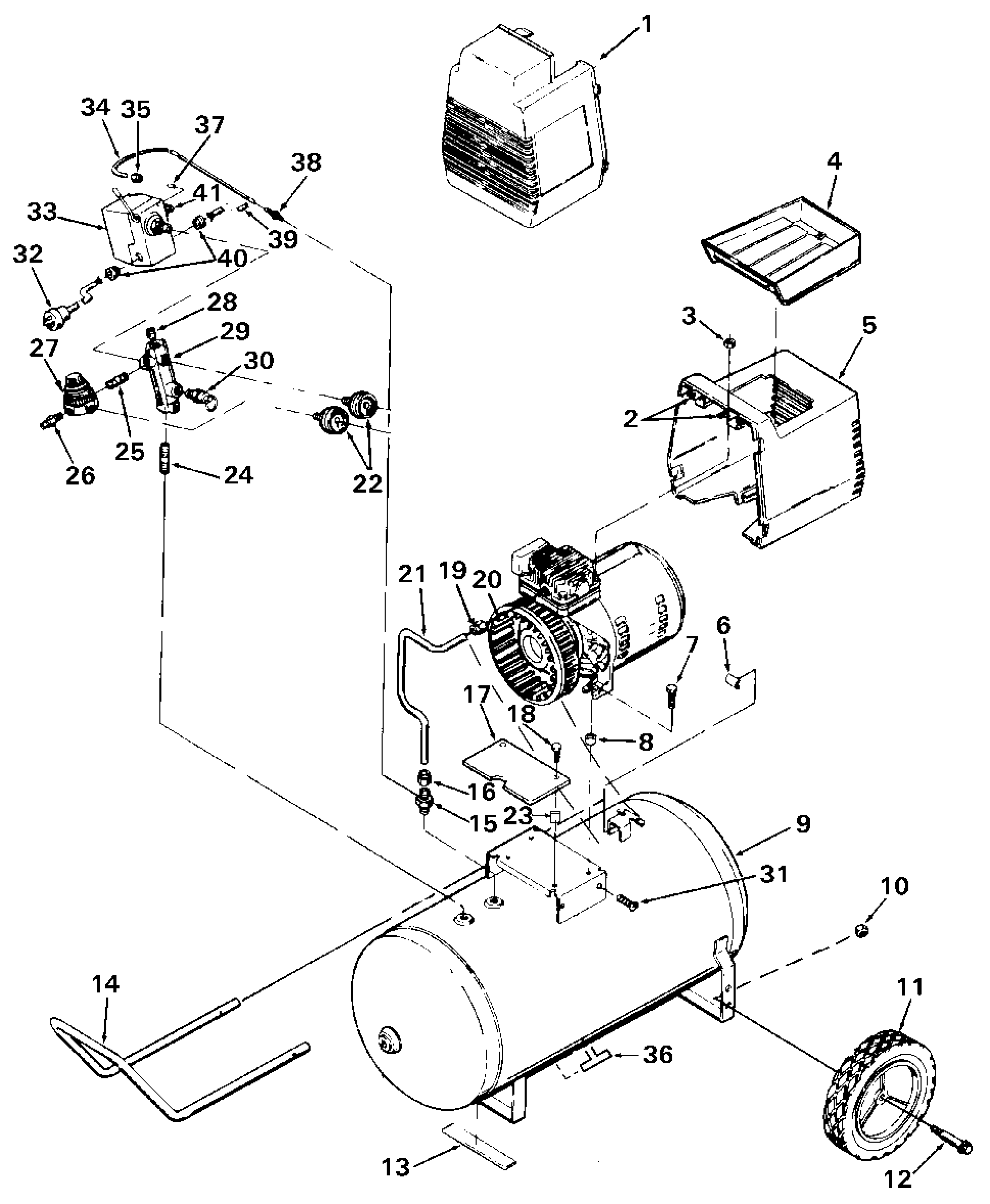
F2512
- View parts by Products
- View parts by Drawing 
This model has different types(If you need help finding your type number, please click here)
Documents
Why you should buy parts/service with us?
High Quality
Buy high reliable products for your critical projects.
Expert Technicians
We have certified experts, who can resolve any issues of the product.
Quick Support
Our Support lines are open to support all your queries.
Convenient Delivery
Delivered to you at your convenient place.
100% Secured Checkout
We follow highest security standards to make your transaction safe.
We do not guarantee, under the meaning of the Quebec Consumer Protection Act, as amended by Bill 29, the availability of replacement parts, repair services or information necessary to maintain or repair covered products. We will continue to provide support for our products, parts and services by allowing users to utilize our online service web portal ToolServiceNet.ca, or phone into our closest service centers for technical support questions.










